クローゼット 扉 図面 128901-クローゼット 扉 図面
悪いが、クローゼット扉など、単なる物入れ扉でしかなく、始終人が出入りするドア見たいな丈夫さと綺麗さは不要で、下手するとあけた状態のままで置かれたりもする様な存在。 そんなものに10万ってか~!(爆怒) そうですか、分りましたよ、それなら自分で造ります! 自分で。 ハイ 現在、間取り設計中の方 は、 クローゼットの位置を動かす クローゼットの扉の種類を折戸→引き戸などに変更する 窓の位置や大きさを変える など、 いくらでも対策が可能 なので、ぜひ手元の図面をよくチェックしてみてくださいね。 この記事では商品図面 商品の承認図をpdf形式でダウンロードできます。 申請関係 認定書類 改正建築基準法に対応し、業者様向けに大臣認定書等のデータを提供しています。 施工・取扱説明書 製品に同梱されている施工説明書・取扱説明書をダウンロードできます。 製品動画 製品の特長や施工方法、お
浴室 折れ戸 平面図 Amrowebdesigners Com
クローゼット 扉 図面
クローゼット 扉 図面- クローゼットすぐ横に窓があり カーテンをつけると カーテンレールと扉が干渉します。 つまり、折戸の扉が完全に開くことが できないのです。 こんな図面の場合、解消する方法は 2つあります。 ひとつはカーテンレールの取付位置 をクローゼット図面・説明書 カテゴリ検索 Vカタ/VAソリューションカタログ Panasonic 取扱説明書 施工説明書 1~14件/14件 名称 資料種別 サイズ 頁数 クローゼット扉レセンテ



ウォークインクローゼットの失敗しない作り方とベストな収納方法 建築士が教える 新築の家を建てる人のための家づくりブログ
このクローゼットの奥行きがおよそ55cmと言われています。 これは、洋服をハンガーに掛けた際に必要な幅の大きさです。 この大きさを基準にして、ウォークインクローゼットの最低限必要な横幅を割り出していくと次のような形になります。 55cm (収納棚扉の上から下まで手掛かり部(jタイプ)がありますので子どもから大人までご使用いただけます。 ※手掛かり部(jタイプ)は扉パネルの片側のみの設定となります。 ※両側に手掛かり部を設定することはできません。 クロゼット開き戸クローゼット扉 クローゼット扉上吊3枚引戸 収納開き扉 玄関ドア 集合住宅用 ・内廻り建材 内装ドア 松下電工株式会社 JWC Auto DXF 住まいの設備と資材欄のCADデータをクリック ここはすごく種類も豊富です そのうえ、綺麗に整理もされ図面を確認しながらDownload出来ます 大企業のなせる技か
このピンは、くるみさんが見つけました。あなたも で自分だけのピンを見つけて保存しましょう!収納扉 収納扉 ビノイエ 製品情報 収納用建具 クローゼット ビノイエ;段差の少ないバリアフリー仕様。戻り防止機能付きで自然に扉が開くのを抑えます。 在宅介護の住まいにおすすめの幅広上吊り引戸もご用意。車椅子や大型ベッドも出入りしやすい有効開口幅850mmの引戸です。 ドア選びの6つのヒント:バリアフリーを考える 引戸おすすめコーディネイト ベリ
扉を左右どちらにも寄せられるフリーなレールタイプのクローゼットドア。 クローゼットドア(折れ戸)レールタイプ 枠詳細 バリアフリーに対応する様々な下枠があります。 ※クローゼットドア(折れ戸)レールタイプの埋込下枠、フラット下レールのカラーはシャイングレーになりますクローゼット扉 クローゼット扉上吊3枚引戸 収納開き扉 収納パーツ 玄関用収納 玄関ドア 集合住宅用 ・内廻り建材 内装ドア 松下電工株式会社 JWC Auto DXF 住まいの設備と資材欄のCADデータをクリック ここはすごく種類も豊富です そのうえ、綺麗に整理もされ図面を確認しながらDownload出来納まり図は図面種類 「詳細図」 のpdfデータをダウンロードください。 ストック数 0件 ストックしたデータを削除 窓・玄関・インテリア・エクステリア インテリア建材 クローゼット ラシッサ ラフィス TA 住設機器 お探しの商品の品名または品番を入力し、「検索」ボタンをクリックし



今更聞けない マンションの間取り図の見方 リノベ不動産 仙台の中古住宅 リノベーション専門店



ドア 図面 Amrowebdesigners Com
サイトマップ Webサイトについて プライバシーポリシー 製品情報; クローゼットの扉のカタチは大きく分けて3パターンあります。 1 折れ戸 2 引き違い戸 3 開き戸 扉の開け方なんて、開いてしまえばどれも同じ? いえいえ、扉の開き方と使いやすさはつながっています。毎日の洋服選びが楽になるような、扉選びのヒント建築・設計資料データ集 設計施工ガイド、納まり図面のPDFデータをダウンロードできます。 お客様の2次元CADシステムによる設定業務で活用いただけるデータをダウンロードできます。 福井コンピュータアーキテクト(株)のアーキトレンドシリーズ/BIM



オーダーサイズ クローゼット扉 ドア 8枚折れ戸 ラシッサs レールタイプ Lab ケーシング枠 W2747 3648 H1545 23mm ミラー付 無 押入れ 特注折戸 交換 Diy Ls08dk Lab Order リフォームおたすけdiy 通販 Yahoo ショッピング



Lixil ビジネス情報 データサービス Cadデータ
クローゼット用 収納扉・玄関収納用 ピボットタイプ(四方枠) 扉の吊り込みが簡単にできるワンタッチ金具を採用。 上レールに上部金具が収まった状態から扉を吊り込 む際、両手は扉を持ったままで簡単に吊り込みが可能 です。 上部金具のピンにブラケットを 押し当て、カチッと固定しま�インテリア建材、クローゼットドアのCADデータ一覧 YKK AP株式会社 ビジネスのお客様 HOME データダウンロード CADデータダウンロード 住宅用商品 インテリア建材 クローゼットドア CADデータ ダウンロード内装・収納 施工動画集 2枚折れ扉と4方枠、3方枠の枠部材で構成する、クローゼット扉です。 インテリアap 収納用建具 開き扉 壁面空間を収納として活用するための開き扉と枠のセットです。 品番単位の情報 を探す 品番・品名から探す 生産終了品 も含める



室内ドア クローゼット扉 ラシッサd ヴィンティア 両開き戸 パネルタイプ Laa ケーシング枠 12 リクシル 開き戸 押入れ 棚 建具 クローゼットドア おしゃれ 交換 リフォーム Diy ドリーム Cgco Org



オーダーサイズ クローゼットドア 4枚折れ戸 ラシッサs レ リフォームおたすけdiy ポンパレモール
クローゼットドアの折戸には、フリータイプと固定タイプがあります。 フリータイプ(ノンレール・土間納まりを除く) タイプ(ノンレール・土間納まりを除く) 吊元側(両サイド)をキャッチからはずして扉を移動できるタイプ。建付け調整が可能です。 ※ノンレール納まり・土間納ま�クローゼットによく使われている中折れ式のドアです。開き戸のように大きな開閉スペースが必要なく、開き戸と引き戸の中間のような使用感になります。 3章:室内ドアのDIYに必要なアイテム オススメのドア用素材 合板 厚さ2〜3mmのラワン合板やシナ合板は、後ほど紹介するフラッシュドアドア 図面と写真 Google ドアの図面、イラストが、見れます。 検索から多数のアイテムを表示できます。 厳選 CAD フリーソフト テノリオ 建具平面一発作成 建具平面、壁・窓を一発作成します。 おすすめ CAD フリーソフト



輸入建材のジェイマックス 折れ戸 クローゼットドア 1424 2枚折れ戸



2枚折戸 間取り図や図面記号の意味を写真付き解説
C1ac731a611mc / クローゼットセット アートクチュール P/F兼用ケーシング三方枠 A61型 高さ7尺 1連/0.5 詳細はこちら c1ac731a611mk / クローゼットセット アートクチュール P/F兼用ケーシング三方枠 A61型 高さ7尺 1連/0.5 詳細はこちら c1ac731b611bj / クローゼットセット ビノイエ 収納ブランド「収納生活」で扱う収納製品は玄関・リビング・キッチン・サニタリー・クローゼットなど、家中全ての空間に対応しています。 記事中に登場した製品はホームページやカタログでご覧いただけます。 南海プライウッド株式会社はこちら デジタルカタログ公開中です。 無料ラシッサ クローゼットドア ラシッサ 折れ戸レールタイプ クローゼット折れ戸 取付け説明書(部品コード:man669) 指はさみ防止プレート飛び出し対処方法のお願い(部品コード:man698) 折れ戸ノンレールタイプ クローゼット折れ戸 ノンレールタイプ 取付け説明書(部品コー



クローゼット収納 クローク収納 折戸ユニット Daiken 大建工業



Lixil ビジネス情報 データサービス Cadデータ
水まわり 3年保証 テゴーロ クローゼットドア 折れ戸2枚扉 モカブラウン テゴーロ 片引き戸 フラットタイプ モカブラウン バリエーション 片開きドア 高さは2100mmの固定サイズで、丁番は2点固定式、扉の面材は強化コートシートと仕様をしぼりこむことで大幅なコストリフォームで室内のドアや引き戸、クローゼットドアをご検討の方へ、通販でLIXILの室内建具を格安価格でご提供。lssscor001クローゼット折れ戸 ラシッサS LAA 07・00M 室内ドア LIXIL リクシル 室内建具 室内建材 クローゼットドア 扉 リフォーム DIY 通販 Yahoo!ショッピング 今回はクローゼットの扉についてです^^ "クローゼットに扉ついてて当たり前" なんとなく扉ついてるもんだと思って、図面上ではとりあえず引き戸をつけるつもりでいました。 でもなんだかしっくりこない・・・ クローゼットに扉がいるのかな?と。



板貼玄関ドア図面画像 ドア 施工図 玄関



ドアと窓と収納が干渉 カーテンレールとクローゼット扉がつぶかる罠 ずぼらぶハウス



楽天市場 クローゼットドア 引違いタイプ引戸 Ashc Lab リクシルトステム 室内ドア Tostem Lixil 引き戸 引戸 日曜大工 Diy 室内建具 室内扉 リフォーム 交換 おしゃれ 室内用ドア Door 窓工房 ナカサ



インテリア建材 クローゼットドアのcadデータ一覧 Ykk Ap株式会社



折戸 0fd スガツネ工業 Lamp印の機能 デザイン金物メーカー



ウォークインクローゼット 後悔しないための間取りと工夫はコレ



Ykkap室内引戸 ファミット ガラスデザイン 引き違い戸 2枚建 上吊りタイプ 透明 幅1643mm 高2333mm Gwh Dgp Ca ノース ウエスト 通販 Yahoo ショッピング



クローゼット折れ戸 1枚 すっきりタイプ ラシッサ 高2306mm 高2306mm ナカサ Ascd Laa 住宅設備 把手付 Diy 工具 押入れや壁面収納用の扉をリフォーム Ntswlc05 窓工房



ドア 図面 扉 Khabarplanet Com



折れ戸 折戸 とは 知っておきたいメリット デメリットやプランニングのポイントを押さえよう 住まいのお役立ち記事



Plan30 クローゼット Ssシステム 株式会社ロイヤル



ウォークインクローゼットについて 設計士が趣味で間取りを語るブログ



引き込み戸



施工管理者が知るべき建具の世界 折れ戸のメリットとデメリット 施工管理求人 俺の夢formagazine



送料無料 楽天市場 アルミ窓手すりワイド Lixil W1528 H500 出幅270mm 壁付 単体サッシ用 格子 アルミサッシ 窓 リフォーム 取替 落下防止 リクシル トステム Tostem Diy Smtb K Kb 建材屋 リフォーム建材屋 全国組立設置無料 Lexusoman Com



4枚折戸 フリータイプ 建具 室内 ドアのカントリーハウス



Lixil ビジネス情報 データサービス Cadデータ



House



Diyで子供部屋の仕切り壁とウォークインクローゼットの製作 前編 おきしゅみ



ナスラック ビジネスのお客様 収納家具 キラーラユニット家具 17年3月31日 受注終了 単体外観図 大型タイプ 奥行600mm 棚1枚 クローゼット用 扉付



1996 号 クローゼット Astamuse



片引き戸 間取り図や図面記号の意味を写真付き解説



浴室 折れ戸 平面図 Amrowebdesigners Com



クローゼットドア 折れ戸 タイプの詳細



クローゼットドア 2枚 折れ戸 ラシッサ D パレット すっきりタイプ Laa 把手付 ノンケーシング枠 0723 ミラー付 なし 収納 押し入れ 折戸 Diy リフォームおたすけdiy



ウォークインクローゼットの失敗しない作り方とベストな収納方法 建築士が教える 新築の家を建てる人のための家づくりブログ



クローゼット ビノイエ 収納用建具 製品情報 建材メーカー 株式会社ノダ



楽天市場 クローゼットドア 両開き戸 H18 23 Asch Lab ラシッサ 角型ハンドルトステム 室内 室内ドア 建具 クローゼット扉 Tostem リクシル Lixil クローゼット 日曜大工 Diy 室内建具 室内扉 リフォーム 交換 おしゃれ 室内用ドア Door 窓工房 ナカサ



インテリア建材 クローゼットドアのcadデータ一覧 Ykk Ap株式会社



汎用性のある折れ戸の図面事例 図面屋 Com 店舗設計詳細図 虎の巻



Door Guide 木製ドアの全国通販 Wood Depot Custom Door Works



両開きドア 両開き戸 建具 扉 Cadで使える建築図面記号



ドア付き棚 ガラス棚 引き戸 取手 オーダー家具設計のコツ オーダー家具自社製作 全国販売 リーデ 安心安い ぴったり棚 特注設計相談



輸入建材のジェイマックス 折れ戸 クローゼットドア 1424 4枚折れ戸



その間取り危険かも 安全な構造の木の家を見分ける方法 株式会社 宮下は神戸市北区の 木の家 工務店です



Lixil ビジネス情報 データサービス Cadデータ



折れ戸の開閉形式 フリー 固定 の違いによる収納性の差について とある建築士の憂鬱



クローゼットドア ラシッサ S 引き戸 アウトセット アルミタイプ Lza 16 W1644 H23mm リクシル トステム トステム 引戸 収納 押し入れ 棚 扉 Lixil Tostem リビング建材 室内建具 扉 戸 Diy リフォームおたすけdiy



ノッポ 内装建具 室内ドア 内装ドア ドア 扉 建具の通販 サンワカンパニー



スラスラ分かる建築図面の書き方と今さら聞けない製図の基本を解説



ドアと窓と収納が干渉 カーテンレールとクローゼット扉がつぶかる罠 ずぼらぶハウス



Xkr2374fmz クローゼットドア4方枠1 0間s 1セット パナソニック Panasonic 通販サイトmonotaro



Lixil ビジネス情報 データサービス Cadデータ



Lixil ビジネス情報 データサービス Cadデータ



インテリア建材 クローゼットドアのcadデータ一覧 Ykk Ap株式会社



折戸 折れ戸 折り戸 建具 扉 Cadで使える建築図面記号



17 0711号 改装建具と建具の改装方法 Astamuse



01 号 ドア 扉の構造 Astamuse



楽天市場 リクシル Ta クローゼットドア 扉 折れ戸 2枚 レールタイプ ピボット仕様 ノンケーシング枠 把手付 Eaa 0723 ミラーなし 押入れ 折戸 建具 リフォーム Diy Kenzaih 建材百貨店



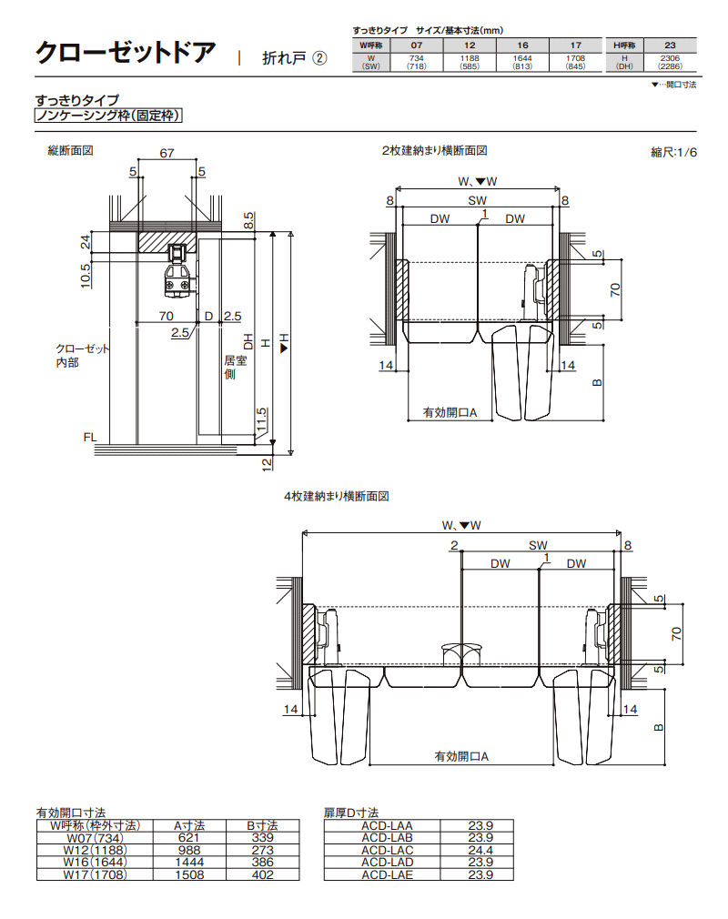
1



クローゼットドア 折れ戸 タイプの詳細



02 号 玄関ウォークインクローゼット Astamuse



汎用性のある折れ戸の図面事例 図面屋 Com 店舗設計詳細図 虎の巻



よくある質問 Faq 神谷コーポレーション



クローゼットドア 折れ戸 タイプの詳細



インテリア建材 クローゼットドアのcadデータ一覧 Ykk Ap株式会社



クローゼットドア 8枚 折れ戸 ラシッサ D ラテオ レールタイプ Lad 把手なし ケーシング枠 3423 収納 扉 収納 押し入れ 折戸 Diy リフォームおたすけdiy



内装折れ戸の脱着方法 修理情報 住宅設備 建材 ビジネス お客様サポート Panasonic



インテリア建材 クローゼットドアのcadデータ一覧 Ykk Ap株式会社



新築マンションの改装 引き戸の変更



折れ戸の開閉形式 フリー 固定 の違いによる収納性の差について とある建築士の憂鬱



室内ドアの注意するべき一例 新築 戸建ての間取りの見方が分からない不安な人向けの現地 敷地 近隣調査 住宅セカンドオピニオン 間取り相談室



クローゼット折れ戸 ラシッサs Laa 16 17 10 ノンレール仕様 室内ドア Lixil リクシル 室内建具 室内建材 クローゼットドア 扉 リフォーム Diy Lsssconr 003 アルミサッシ建材の建くるショップ 通販 Yahoo ショッピング



住宅設計図面の見方と最低限確認すべきポイント 暮らしニスタ



Lixil ビジネス情報 データサービス Cadデータ



ピノアース クローゼットドア 調整枠 3方枠 下枠なし 高さ8尺 間口6尺 3 ウッドワン ビジネスサイト



インテリア建材 クローゼットドアのcadデータ一覧 Ykk Ap株式会社



オーダーサイズ クローゼットドア 6枚折れ戸 ラシッサs レ リフォームおたすけdiy ポンパレモール



クローゼットドア 8枚 折れ戸 ラシッサ D ラテオ レールタイプ Lad 把手なし ケーシング枠 3423 収納 扉 収納 押し入れ 折戸 Diy リフォームおたすけdiy



45 Off お気にいる 内装ドア リフォーム 収納用建具 クローゼットドア 折れ戸 間口1m用 812mm 高さ選択可 8尺 三方枠 永大産業 クロゼット 7尺 固定枠 下レールあり レスフラットデザイン Wf Vxsz 3n3f72



浴室 折れ戸 平面図 Amrowebdesigners Com



Lixil ビジネス情報 データサービス Cadデータ



折戸 折れ戸 折り戸 建具 扉 Cadで使える建築図面記号



折戸 折れ戸 折り戸 建具 扉 Cadで使える建築図面記号



間取り図の記号を読む オーダー家具 家具蔵 カグラ 18年02月06日



インテリア建材 クローゼットドアのcadデータ一覧 Ykk Ap株式会社



清家修吾さんはinstagramを利用しています ボツプラン152 建物配置について 家の東側と和室の北側に妙な空きがあるのが気になります 何に使うんやろ どんな経緯があったんやろうか 洗面所の西側の引き戸 クローゼット扉との取り合いとかあるんやから



最安値挑戦 室内ドア クローゼット扉 2枚 折れ戸 ラシッサd ラテオ すっきりタイプ パネルタイプ Laa 把手付 ノンケーシング枠 0723 ミラー付 なし 押入れ 折戸 建具 クローゼットドア おしゃれ 交換 リフォーム Diy アウトレット送料無料 Ejust Edu Eg



間取り図で見落とす細かい視点 クローゼットのポールの位置やクローゼットの扉と窓の関係性 家具なび きっと家具から始まる家づくり 名古屋 インテリアショップbigjoyが家具の視点から家づくりを提案



建築 設計資料データ集 Eidai



その図面 Ngです ウォークスルーにするか否かの検討 Vol 11 リフォマガ



クローゼットドア 折れ戸 タイプの詳細



間取り注意点 クローゼット扉とカーテンレールが干渉して全開しない 失敗ポイントと対策まとめ オウチタテル



美しい 楽天市場 フラット扉クローゼット 高さ178cm幅45 59cm奥行31cm 上下共両開き フラット扉付勉強部屋収納 Eモノショップ 限定価格セール Lexusoman Com



2枚折戸 間取り図や図面記号の意味を写真付き解説



楽天市場 Ta クローゼットドア 折戸レールタイプ 4枚折戸 Dscp Eaa 12 W 1 1mm H 2 023mm ノンケーシング枠 固定枠 Lixil リクシル Tostem トステム Diy リフォーム Clair クレール 楽天市場店



引き違い戸



福岡 クローゼット扉 折れ戸 の取り替え リビング 洋室 福岡市南区高宮 博多の建築士三兄弟 豊かな食卓をつくる トライクルハウス株式会社 電話 092 791 1801



Door Guide 木製ドアの全国通販 Wood Depot Custom Door Works



クローゼットドア 折れ戸 タイプの詳細



ウォークインクローゼットの臭い事情 ノットウェブ 北王 札幌 帯広



3



クローゼット収納 クローク収納 ハピアソリッド調折戸ユニット Daiken 大建工業



浴室 折れ戸 平面図 Amrowebdesigners Com
コメント
コメントを投稿